SHZG型周边传动刮泥机
特点
口处理量大,可节省占地面积。
口该设备刮泥,吸泥,刮浮渣同时进行,能耗少,比同规格设备节电50%左右。
口边行走边吸泥,排出的活性污泥浓度高.排泥效果好。
口刮板式吸口构造简单,不易堵塞,运行安全可靠,维修方便。
口适应性强,易实现全自动控制
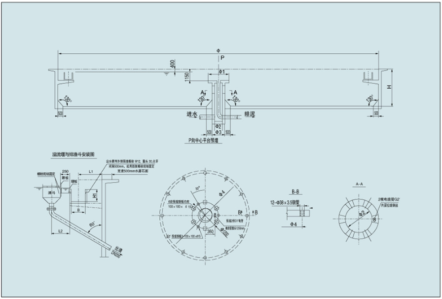
结构原理
SHZG型周边传动刮吸泥机,主要有钢梁、溢流堰、传动装置、稳流筒、中心泥罐、排泥槽、刮板、吸泥装置、浮渣收集和排除设施、输电输气装置等组成。
待处理的水从中心筒进水管进入,通过稳流筒稳流进入沉淀池然后向四周扩散沉淀清水由池边溢流堰流出,其中沉淀物由刮泥板刮集到吸泥口,经压缩空气扰动混合和增氧,增加了污泥活性,根据连通管原理,利用水位差将池底污泥吸入排泥槽:通过虹吸管进入中心筒排泥管排出。同时池中浮渣由浮渣刮板收集经排渣斗排出池外。

规格及主要技术参数



上一个 :SHZD型中心传动单(双)管吸泥机
下一个 :SHZB型周边传动刮泥机






